Welcome to ConfirmaXL

      “The easy to use RF, analog and mixed-signal design system for chip designers and semiconductor enthusiasts”

Free for Non-Commercial Use

  • Updated ConfirmaXL v0.83b (3/1/26)! See the download page!

  • 3/1/2026 Updated to improve reliability in some parts of the EU. Also, usability improvements for easier synchronization of ConfirmaXL/KiCad design libraries.

  • 2/12/2026 ConfirmaXL 0.83. Updated to improve interoperability between point tools and to simplify and improve overall user experience. IC design project setups are now more easily saved and recalled. Hop across design projects quickly and without stress! Translators are added to enable quick updates to the Kicad Symbol Table from the ConfirmaXL cellview library table and vice-versa. Improvements are made in the Library Manager to ease file management. Test benches can be opened and simulated within seconds unlike a minute or more for Cadence Virtuoso platform as complained about extensively on chip design forums (“Why is Cadence getting slower?”). Switching across multiple open simulation test benches is also very fast and easy. Additional controls and commands are added to the Simulator Control form to accommodate more simulators and to ease simulation setups.

  • 1/27/2026 ConfirmaXL 0.82 updated with additional spice engine integrations. Simulate Topspice, Xyce, NGspice, Smartspice, LTspice and Qspice from the same set of Kicad hierarchical schematics. Plot RAW and text data in Topview, Qspice QUX and/or LTspice viewer. No need to learn a new schematic tool to run alternative spice engines. Simulations have been verified across these simulators using a common PSMG 180nm PDK running hspice models. We believe ConfirmaXL to be the only platform to offer this level of front-end flexibility in a free IC design flow.

  • Version 0.82 updated with improvements to spice simulator control setup forms. Also new are powerful RF extensions allowing for calculation of K, GM1, GM2, gain and stability circles on Smith Charts with NF and NF circles to follow. Please check back for RF QUAKs (Quick Adoption Kits) being prepared now. Don’t forget to tryout the included “FaiSyn” lumped and distributed element filter program, also free with ConfirmaXL.

  • 1/17/2026 ConfirmaXL install video now on YouTube.

  • 1/12/2026 Collaboration continues with PSMG as we port over the CXL “Devices” symbol lib to Global Foundries GF180mcu for ConfirmaXL flow. We are currently running quality check circuit simulations using NGspice. IHP SiGe and Sky130 will follow.

    1/5/2026 New Update… ConfirmaXL Vs. 0.81 is released!

    • 1/5/2026 New PDK…PSMG 180nm Simulation PDK for ConfirmaXL is released! The kit includes CXL symbols, hspice models and more. Get the PSMG process document here. Note: The P045nm kit is still forthcoming but the decision was made to start with P180 because of it’s applicability to open PDK’s GF180MCU, Sky130 and IHP130 and the desire to make these PDK’s also available to ConfirmaXL users.

    • 10/31/25 uCosm is pleased to announce teaming arrangements with stealth-mode affiliate Predictive Semiconductor Modeling Group on predictive PDK’s for the ConfirmaXL IC Design System. In collaboration with PSMG, we are nearing completion of an initial 45nm simulation PDK to include symbol libraries, Hspice compatible spice model libraries as well as simulation ready PDK characterization test benches. The PSMG pdk allows designers to immediately start designing and simulating 180nm circuits with results similar to those obtained with tsmc or Global Semiconductor foundry processes. The included industry standard, KiCad symbol library is pre-configured to operate in the ConfirmaXL/Kicad environment and will run on supported hspice netlist compatible spice simulators. uCosm has been intentionally holding back first release ConfirmaXL until this pdk is complete in order to ease the setup of the simulation environment and so users can start with an established kit and methodology. Future PSMG PDK’s are expected to be offered for 28, 45, 65 & 130nm process nodes.

    • 9/15/25 Links added to introductory videos on ConfirmaXL in action. Please see the bottom of this page.

What is ConfirmaXL?

ConfirmaXL is an emerging Electronic Design Automation (EDA) platform designed for RF, analog, and mixed-signal integrated circuit (IC) design. It builds upon existing tools to offer a user-friendly, streamlined workflow—ideal for Individual Designers, University Research Teams, Startups, and companies looking to enhance their current design processes with lower cost, reduced complexity options.

ConfirmaXL has been specifically engineered to provide a agile, cost-effective alternative to legacy tools such as Cadence Virtuoso. It achieves this by integrating high-quality, specialized tools developed by experts worldwide. Users may further refine their design flow by incorporating additional third-party tools—whether free or paid—allowing them to tailor to their specific needs and budget constraints.

Confirma Backgrounder

The original Confirma platform has been deployed in proprietary Design Service, Tier-Once Semiconductor companies such as Texas Instruments and University-Affiliated Research Lab environments such as The Johns Hopkins Applied Physics Laboratory for over a decade, contributing to the successful tape-out of more than 80 RF and mixed-signal integrated circuits across advanced foundry process nodes, serving a global customer base.

Confirma has been used to design and implement complex IC’s such as 4G cell transceivers, 802.11 Wifi chips, PM catalog IC’s, SERDES transceivers, numerous PLL’s, integer and fractional RF Synthesizers as well as hard IP blocks for applications such as Radar, GPS, BLE & Satellite Transceivers in processes from semiconductor companies TSMC, Tower/Jazz, Global Foundries, National, Maxim, TI and others.

ConfirmaXL - Improved and updated

Now free for non-commercial use, this vastly improved and updated version of ConfirmaXL benefits from the rise of high-quality free and open-source design tools—most notably, KiCad, Xyce, NGspice, Qspice, Klayout & LASI CAD — and passes these benefits to you.

Advanced Features

  • Enhanced Kicad Integration: Utilizes the highly popular KiCad toolset for front-end design. Industry standard EEschema schematic capture & library management functionality has been expanded to support hierarchical design, multi-bit buses, and parameterized symbols akin to features once only found in costly tools like Cadence Virtuoso. However, unlike with expensive legacy tool flows, KiCad is license-free, so you will never lose access to your portfolio of designs.

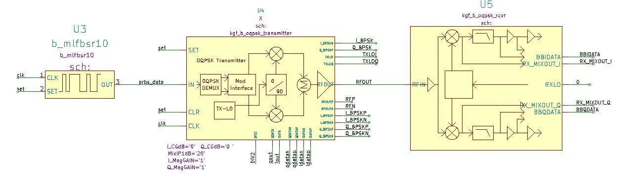
SPICE simulate-able hierarchical behavioral QPSK transceiver system captured in EEschema

  • Sharable Hierarchical Symbol Libraries for IC: Easily crafted symbols may point to SPICE primitives, SPICE circuits in netlist files or to underlying circuit schematics. Libraries can be easily accessed across the design team and can be re-used across projects.

  • ConfirmaXL Analog Cockpit: Features an interface similar to Cadence’s ADE/Maestro & Keysight’s ADS, enabling efficient hierarchical navigation, hierarchical spice netlisting and simulation management. Engineers may easily and seamlessly switch between top-level simulation test benches. Test benches load in seconds, not minutes. Layouts may be accessed quickly and directly from the cockpit interface. Hspice style foundry corner model simulation settings (i.e., tt, ss, ff, etc) are also set here. Design variables and spice netlists are readily and easily accessible to the designer. Direct tweek’s to netlists can be made and simulated allowing quick cause and effect experiments without schematic editing. Up to 16 SPICE Alter Netlist directives may be saved and recalled in each test bench.

  • Flexible Simulation Support: Compatible with various SPICE simulators, including Topspice, NGspice, Xyce, LTspice, Qspice, Hspice, Eldo, Smartspice, AFS and others, allowing users to plug in multiple instances of the SPICE engines of their choosing and without altering the design flow. Drive multiple simulators from the cockpit & from the same set of schematics. Reduce costs by designing lower-level blocks using free simulators, saving expensive, high-end, fast simulators for the most difficult top level verification sims. Interface to the highly advanced harmonic balance Golden-Gate simulator for unmatched RF, microwave and millimeter-wave design capability.

  • No need to port schematics to run a new simulator. No time wasted in learning another new schematic tool. No waiting on bloated and sluggish legacy tool flows.

Plug in multiple SPICE simulators of your choosing. Control and launch all simulators from the cockpit. Simulators settings may be specified through forms or via the “include” text tab allowing for multiple user design styles and preferences.

Simulation of behavioral QPSK transceiver in the QSPICE simulator. Support for QSPICE has been added to ConfirmaXL. Current design libraries are being tested for syntactical compatibility and adjusted as needed.

  • Modular Layout Tool Integration: Supports integration with layout tools such as Klayout, LASI, L-Edit, Glade, Calibre and others, providing flexibility in the physical design process. Layouts are quickly and easily opened directly from the ConfirmaXL Design Cockpit. SPICE Layout Parasitic Extracted (LPE) & schematic view netlists can be co-simulated through a view switching methodology similar to the Cadence Hierarchy Editor. Plug in the layout tool you are most expert in or that best supports your target process. Add new layout tools as they become available.

  • Digital Synthesis for Analog Designers: Offers easy to use logic reduction and automated generation of logic circuits from truth tables and equations, bridging the gap between analog and digital design.

  • RF and AMS Design Capabilities: Includes expanded SPICE control menus for RF measurements (e.g., Pout vs. Pin, NF, CNR, gain, simultaneous match), supports s-parameter based design methodologies, facilitating the design of RF amplifiers and other components. Plot gain, NF and stability circles on Smith Charts using standard spice simulators. A robust library of SPICE simulate-able behavioral AMS components, such as data converters, is also provided. RF/uW libraries have been extended to allow simulation of TLIN’s, coupled TLIN’s and microstrips on ordinary SPICE simulators. Design microstrip filters and distributed element amplifiers.

Design of an RF amplifier using s-parameter methodology & microstrip elements in SPICE. Simultaneous match impedances are measured for the RF transistor and then used to design the input/output matching network. These are converted to microstrip lines for complete amplifier simulation in SPICE.

  • Easily runs on WIN10/11, supports LINUX: Allows shared folders across operating systems and networks to enable interaction with LINUX based tools such as Calibre for LVS, DRC checks and LPE simulations. Enables delivery of IP developed in ConfirmaXL for integration into legacy IC flows such as Cadence Virtuoso when required.

Example. 1. A correct by construction Confirma script generates a NMOS in Lasi Layout and then saved as GDS2 to a shared Linux folder where it is then read into Virtuoso for DRC/LVS checks for ConfirmaXL Pcell validation

Example 2. A behavioral OQPSK transceiver designed in ConfirmaXL/Kicad/Topspice. The Confirma SPICE netlist is converted withing Confirma to SPECTRE format and saved to a shared LINUX folder where it is picked up and then simulated with Cadence SPECTRE giving simular results as shown in the Topview I/Q data plots.

  • New! Adding PSMG 180nm PDK with ConfirmXL/Kicad symbols & testbench schematics. The PSMG simulation PDK includes hspice compatible model libraries with corner models. It enables the designer to immediately begin schematic capture and simulation in a representative 180nm mixed-signal CMOS process. ConfirmaXL compatible PDK’s will soon be offered for 28, 45, 65 & 130nm process nodes. PDK’s include core transistors, higher voltage interface transistors and passives for RF/Analog/Mixed-signal designs.

  • Team Collaboration: Designed to streamline multi-engineer project developments and chip integrations, supporting shared libraries and networked project management for design teams. Structured chip assembly using individual workspaces delivering into a golden folder methodology to avoid design collisions.

  • Design flow supports University Teams: Easily structure class projects with working folders for each student. Provides baseline design methodology and predefined test benches, model setups, projects links for fast setup and best opportunity for a successful start. Each student can be outfitted with their own ConfirmXL to keep as a tool in their future development.

Licensing

ConfirmaXL for Individuals and University Researchers: ConfirmXL is provided free for non-commercial use. No warrantee is provided. Users agree to use the software at their own risk.

ConfirmaXL for Business: Please contact us to license ConfirmaXL for business use. The current model is that all business license fees will be through donation to a 501c3 charity TBD. It is expected that these donations will be tax deductible and made directly to the 501c3.

Want to see the ConfirmaXL beta in action? Please see these introductory video’s…

ConfirmaXL preview #1. Example 1, simulate a CMOS OTA on 3 different spice simulators. Example 2, simulate a behavioral sinewave digital DAC together with analog LC low pass filters.

ConfirmaXL preview #2. Simulating transistor level CMOS gates, viewing inverter layouts in klayout and lasi layout. Performing mixed schematic / layout LPE extracted view simulations by switching in the LPE netlist.

ConfirmaXL preview #3. A 30 minute “how to” to help you install ConfirmaXL, the PSMG P180 PDK and the various point tool schematic, simulator and layout programs.

Silicon Psychic, RF/analog Circuit Synthesis - Coming Soon!

Special thanks to the KiCad, NGspice, Xyce, LASI CAD, Klayout teams from around the world. Thanks also to the Qorvo team and QSPICE author Mike Engelhardt for early assistance with integration questions.

Note: Virtuoso and ADE are TM Cadence Design Systems. ADS and Golden-gate are TM Keysight Technologies. Topspice & Topview are TM Penzar Development. LTspice is TM Analog Devices. Calibre, Ledit and Eldo are TM Mentor Graphics/Siemans. Smartspice TM of Silvaco.